China UCF208 Bearing Factory - High-Quality Quotes Suppliers | Meifule
Welcome to our websites!

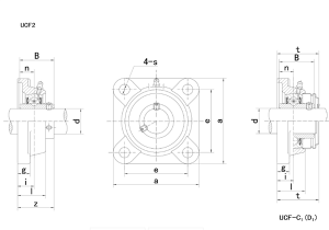
UCF208

Short Description:

The Pillow Block Bearing UCF208 is a spherical plain bearing unit with a housing. The core is the UC208 ball bearing (1-1/2-inch inner diameter), pre-assembled in a sturdy cast iron square housing. The base is equipped with four bolt holes for easy installation and fixation. It is designed to support rotating shafts, providing reliable support and is suitable for general industrial applications such as conveyors and agricultural machinery.


Product Detail

Product Tags

Bearing Unit No. Shaft Dia. Dimensions (in.)or(mm) Bolt Used Bearing No. Housing No. Weight(kg)
d
(in.) (mm) a e i g l s z t B n (in.) (mm)
UCF208 40  130 102 21 16 36 16 51.2 55.5 49.2 19 M14  UC208 F208 1.94
UCF208-24 1-1/2   5-1/8 4-1/64 53/64 5/8 1-27/64 5/8 2-1/64 2-3/16 1.9370 0.748 1/2   UC208-24 F208 1.96
UCF208-25 1-9/16   5-1/8 4-1/64 53/64 5/8 1-27/64 5/8 2-1/64 2-3/16 1.9370 0.748 1/2   UC208-25 F208 1.96

Application scenarios The role of UCF bearings
‌ Insulating glass production line ‌UCF bearing is used in insulating glass production line equipment to ensure the smooth progress of the production process ‌
Ink-jet printing machine ‌UCF bearing plays a key role in the inkjet printer to ensure the stability and accuracy of the inkjet ‌
Condiment processing equipment ‌ In condiment processing equipment, UCF bearings provide stable support and rotation ‌
Sewage treatment equipment ‌ In the sewage treatment equipment, UCF bearings help the equipment to run efficiently ‌
Variable frequency pump In variable frequency pumps, UCF bearings provide stable power support ‌
Electroplating equipment ‌ In electroplating equipment, UCF bearings ensure the stability and uniformity of the electroplating process ‌
Rubber molder ‌ In the rubber forming machine, UCF bearings ensure the stability and accuracy of the forming process ‌
Plastic calender In plastic calenders, UCF bearings ensure a stable and efficient plastic forming process ‌
Farm machinery parts Used in a variety of agricultural machinery accessories, provide stable agricultural machinery operation support ‌
311111111111111111111
bianpinbeng1111111111
zhongkongboli11111111111

  • Previous:
  • Next:

  • Write your message here and send it to us

    Products categories