Product Detail
Product Tags
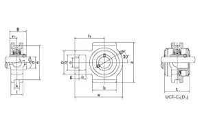
| Bearing Unit No. |
Shaft Dia. |
Dimensions (in.)or(mm) |
Weight(kg) |
| d |
| (in.) |
(mm) |
o |
g |
p |
q |
s |
b |
k |
e |
a |
w |
j |
l |
h |
t |
B |
n |
| UCT210 |
|
50 |
19 |
16 |
83 |
49 |
29 |
86 |
16 |
102 |
117 |
149 |
49 |
37 |
90 |
74.5 |
51.6 |
19 |
2.47 |
| UCT210-29 |
1-13/16 |
|
3/4 |
5/8 |
3-17/64 |
1-15/16 |
1-9/64 |
3-17/64 |
5/8 |
4-1/64 |
4-39/64 |
5-55/64 |
1-15/16 |
1-29/64 |
3-35/64 |
2-15/16 |
2.0315 |
0.748 |
2.59 |
| UCT210-30 |
1-7/8 |
|
3/4 |
5/8 |
3-17/64 |
1-15/16 |
1-9/64 |
3-17/64 |
5/8 |
4-1/64 |
4-39/64 |
5-55/64 |
1-15/16 |
1-29/64 |
3-35/64 |
2-15/16 |
2.0315 |
0.748 |
2.54 |
| UCT210-31 |
1-15/16 |
|
3/4 |
5/8 |
3-17/64 |
1-15/16 |
1-9/64 |
3-17/64 |
5/8 |
4-1/64 |
4-39/64 |
5-55/64 |
1-15/16 |
1-29/64 |
3-35/64 |
2-15/16 |
2.0315 |
0.748 |
2.49 |
| UCT210-32 |
2 |
|
3/4 |
5/8 |
3-17/64 |
1-15/16 |
1-9/64 |
3-17/64 |
5/8 |
4-1/64 |
4-39/64 |
5-55/64 |
1-15/16 |
1-29/64 |
3-35/64 |
2-15/16 |
2.0315 |
0.748 |
2.45 |
| Application scenarios |
The role of UCF bearings |
| Hydraulic mineral processing equipment, textile-related electrical instrumentation equipment, industrial drying machines, gantry cranes, electric pumps |
These devices require high-strength support and rotational functions. The UCT bearings can provide stable support and reduce friction, ensuring the normal operation of the equipment |
| Injection molding machine parts, deep hole drilling machine, sand grinding machine, dehumidifier, sewage treatment equipment |
These devices need to rotate and move frequently in industrial production. The UCT bearings can reduce friction and enhance the efficiency and lifespan of the equipment |
| Ironing machine, foaming equipment, air-cooled refrigeration machine, bottom pressing machine, offset printing machine |
These devices require precise rotation and support during the production process. The UCT bearings can provide stable rotation and support, ensuring the stability and efficiency of the production |
Previous:
UCT209
Next:
UCT211