High-Quality UCT212 Factory Manufacturing in China Factories Pricelist | Meifule
Welcome to our websites!

UCT212

Short Description:

UCT bearings are characterized by high load capacity, precise positioning, wear resistance, high temperature resistance, and low friction. These attributes enable UCT bearings to deliver exceptional performance across a wide range of application scenarios. The primary application areas include industrial manufacturing, oil equipment, food processing machinery, medical devices, and various other fields. In industrial manufacturing, UCT bearings are extensively used in prototyping machines, where they contribute to stable operation, high precision, and enhanced production efficiency.


Product Detail

Product Tags

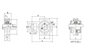
Bearing Unit No. Shaft Dia. Dimensions (in.)or(mm) Weight(kg)
d
(in.) (mm) o g p q s b k e a w j l h t B n
UCT212   60  32 19 102 64 35 102 22 130 146 194 64 42 119 89 65.1 25.4 4.58
UCT212-36 2-1/4   1-17/64 3/4 4-1/64 2-1/32 1-3/8 4-1/64 55/64 5-1/8 5-3/4 7-41/64 2-33/64 1-21/32 4-11/16 3-1/2 2.5630 1.000 4.71
UCT212-37 2-5/16   1-17/64 3/4 4-1/64 2-1/32 1-3/8 4-1/64 55/64 5-1/8 5-3/4 7-41/64 2-33/64 1-21/32 4-11/16 3-1/2 2.5630 1.000 4.63
UCT212-38 2-3/8   1-17/64 3/4 4-1/64 2-1/32 1-3/8 4-1/64 55/64 5-1/8 5-3/4 7-41/64 2-33/64 1-21/32 4-11/16 3-1/2 2.5630 1.000 4.56
UCT212-39 2-7/16   1-17/64 3/4 4-1/64 2-1/32 1-3/8 4-1/64 55/64 5-1/8 5-3/4 7-41/64 2-33/64 1-21/32 4-11/16 3-1/2 2.5630 1.000 4.49

Application scenarios The role of UCF bearings
Hydraulic mineral processing equipment, textile-related electrical instrumentation equipment, industrial drying machines, gantry cranes, electric pumps These devices require high-strength support and rotational functions. The UCT bearings can provide stable support and reduce friction, ensuring the normal operation of the equipment
Injection molding machine parts, deep hole drilling machine, sand grinding machine, dehumidifier, sewage treatment equipment These devices need to rotate and move frequently in industrial production. The UCT bearings can reduce friction and enhance the efficiency and lifespan of the equipment
Ironing machine, foaming equipment, air-cooled refrigeration machine, bottom pressing machine, offset printing machine These devices require precise rotation and support during the production process. The UCT bearings can provide stable rotation and support, ensuring the stability and efficiency of the production
shuilixuankuang-1111111111
shenkongzhuanchuang-111111111111111111
污水处理-1

  • Previous:
  • Next:

  • Write your message here and send it to us

    Products categories