China UCT204 Factory - Quality Manufacturing Quotes Pricelist | Meifule
Welcome to our websites!

UCT204

Short Description:

UCT bearings are characterized by high load capacity, precise positioning, wear resistance, high temperature resistance, and low friction. These attributes enable UCT bearings to deliver exceptional performance across a wide range of application scenarios. The primary application areas include industrial manufacturing, oil equipment, food processing machinery, medical devices, and various other fields. In industrial manufacturing, UCT bearings are extensively used in prototyping machines, where they contribute to stable operation, high precision, and enhanced production efficiency.


Product Detail

Product Tags

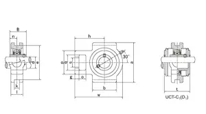
Bearing Unit No. Shaft Dia. Dimensions (in.)or(mm) Weight(kg)
d
(in.) (mm) o g p q s b k e a w j l h t B n
UCT204   20 16 10 51 32 19 51 12 76 89 94 32 21 61 44.5 31 12.7 0.73
UCT204-12 3/4   5/8 25/64 2-1/64 1-1/4 3/4 2-1/64 15/32 2-63/64 3-1/2 3-11/16 1-1/4 53/64 2-13/32 1-3/4 1.2205 0.500 0.73

Application scenarios The role of UCF bearings
Hydraulic mineral processing equipment, textile-related electrical instrumentation equipment, industrial drying machines, gantry cranes, electric pumps These devices require high-strength support and rotational functions. The UCT bearings can provide stable support and reduce friction, ensuring the normal operation of the equipment
Injection molding machine parts, deep hole drilling machine, sand grinding machine, dehumidifier, sewage treatment equipment These devices need to rotate and move frequently in industrial production. The UCT bearings can reduce friction and enhance the efficiency and lifespan of the equipment
Ironing machine, foaming equipment, air-cooled refrigeration machine, bottom pressing machine, offset printing machine These devices require precise rotation and support during the production process. The UCT bearings can provide stable rotation and support, ensuring the stability and efficiency of the production
shuilixuankuang-1111111111
shenkongzhuanchuang-111111111111111111
污水处理-1

  • Previous:
  • Next:

  • Write your message here and send it to us